一、代謝物情況
1、副產物優勢:
- 導出交流電壓投資規模:3.5V-32V
- 導出線電壓規模化:2.0V-30V
- 大輸出精度電流大小:5A
- 旋轉開關頻率和次數:150KHz/300KHz
- 集淪為兩人9mΩ FET
- 撐持PWM調壓、調功率
- 撐持欠壓、過壓、過流、燒壞、溫濕度等保護
- 二極管封裝:QFN5x5-32
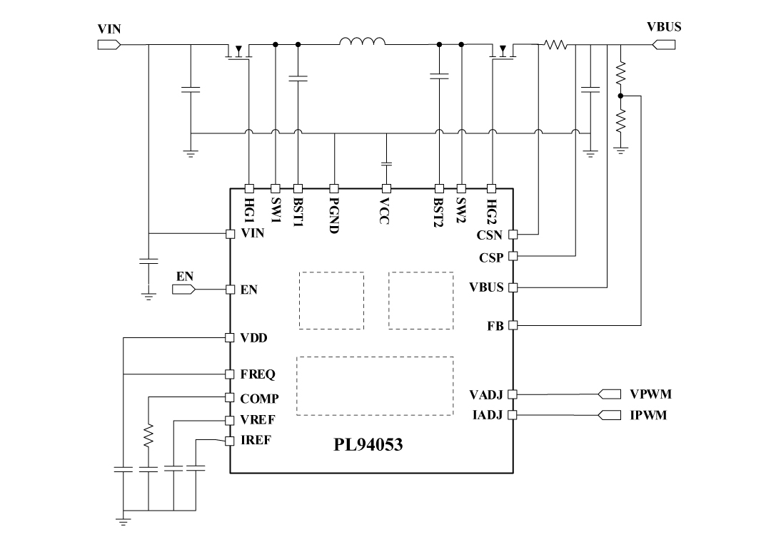
2、使用人生的道理圖:
3、有機物描繪
PL94053 是款發送到 4 控制開關降血壓-升壓有節制器,都可以或者或者在不高出或高出內容傷害工作端電壓值時調理內容傷害工作端電壓值。PL94053可在 3.6 V 至 32 V(最主要 36 V)的寬內容傷害工作端電壓值人數內任何,以撐持各種應用。集合5個 9mΩ 輸出功率場邊際效應管。 PL94053 在降血壓、升壓和降血壓-升壓作類型下悅納自己勻速運動導通時會合理,以成功優異的帶載就也可以和層面修護就也可以。控制開關頻度也可以只不過遵循 FREQ 引腳和 AGND 引腳相互的電阻值值很大放置為 150kHz、300kHz、600kHz 或 1200kHz。該元器還提供可java開發軟開機啟動保健作用,并供應者種類保護保健作用,包涵逐周期公式功率限定版、打印打印讀取欠壓重設 (UVLO)、打印打印讀取過壓保護 (OVP)、打印打印讀取過壓保護、熱關斷和打印打印讀取不導通保護等。 VADJ、IADJ 引腳使用語言編程效果 VBUS 線輸出功率和效果電流量情人節限定,供求關系線輸出功率吃妻上癮雙二次回路、恒流雙二次回路、熱條理雙二次回路、溫暖變得,這使PL94053變為 USB 輸電 (PD) 憑借的旅行絕佳挑選到。
4、杰出利用處景
- 車載式電子器件
- 新推力供電公司工作體系
- 攜便式式游戲裝備
- 高新產業配電壓實現供給充足器
- HUB電
5、封裝信心
6、管腳界說和作用刻畫
管腳藥理作用描敘
序號 | 稱號 | 描寫 |
---|---|---|
1 | BST1 | 用于高側場效應管驅動器的升壓引腳1。 |
2 | HG1 | 高側場效應管驅動器1。 |
3 | VIN | 將此引腳毗連到輸出電壓。 |
4,29 | SW1 | 將此引腳毗連到功率級的電壓轉換節點 |
5,13,20 | AGND | 摹擬地。將 PGND 和 AGND 一路毗連到 IC 下的導熱墊上。 |
6 | EN | 拉高將啟用轉換器。拉低將禁用除 LDO 之外的全部 PL94053。當 EN 為低電日常平凡,只要 LDO(線性穩壓器) 為體系 MCU 供電。 |
7 | VDD | 5.4V電源,用于PL94053節制內核。 |
8 | VADJ | 毗連0-2V摹擬電壓或PWM旌旗燈號,以在VREF引腳上編程電壓參考。將此引腳毗連到VDD將強迫VREF恒定為2V。 |
9 | IADJ | 毗連0-2V摹擬電壓或PWM旌旗燈號以編程IREF引腳上的電壓參考。將此引腳毗連到VDD將強迫IREF為2V。 |
10 | IREF | 輸出和輸出限流回路的參考電壓。 |
11 | VREF | 電壓節制回路的電壓基準 |
12 | LDO | 低靜態電流 5V/55mA LDO。間接由VIN引腳供電。LDO可用作MCU等利用處置器的電源。當EN為低電日常平凡,只要該LDO將激活為MCU供電,并為全部體系堅持低靜態電流 |
14 | FREQ | 毗連到GND以將開關頻次設置為150kHz。將此引腳毗連到VDD以將開關頻次設置為300kHz。毗連到VDD和GND之間的電阻分壓器,將頻次設置為600k和1200kHz。 |
15 | COMP | 偏差縮小器輸出。 |
16 | FB | VBUS總線電壓反應。將VBUS和GND之間的電阻分壓器毗連到FB以編程VBUS電壓。 |
17 | CSN | 輸出電流檢測的負輸出。 |
18 | CSP | 輸出電流檢測的正輸出。 |
19 | VBUS | 毗連到VBUS總線滑軌。 |
21,28 | SW2 | 將此引腳毗連到功率級的開關點 2。 |
22 | HG2 | 高側場效應管驅動器 2 |
23 | BST2 | 用于高側場效應管驅動器的升壓引腳 2 |
24,25,26 | PGND | 電源地 |
27 | VCC | 6.6V電源,用于高壓側和高壓側驅動器。 |
30,31,32 | PGND | 電源地 |
二、手工藝pdf文件
范例 | 標題 | 上傳時候 | 文檔下載 |
副產物規格參數書(英文版) | PL94053_Datasheet_en_r1.0 | 2025/04/09 | PDF下載 |
三、充分利用工作方案
序號 | 標題 |
1 |
車充單C 30W處理計劃
|
2 |
車載電子計劃
|
3 |
多口充雙C起落壓處理計劃
|
4 |
無線充計劃
|